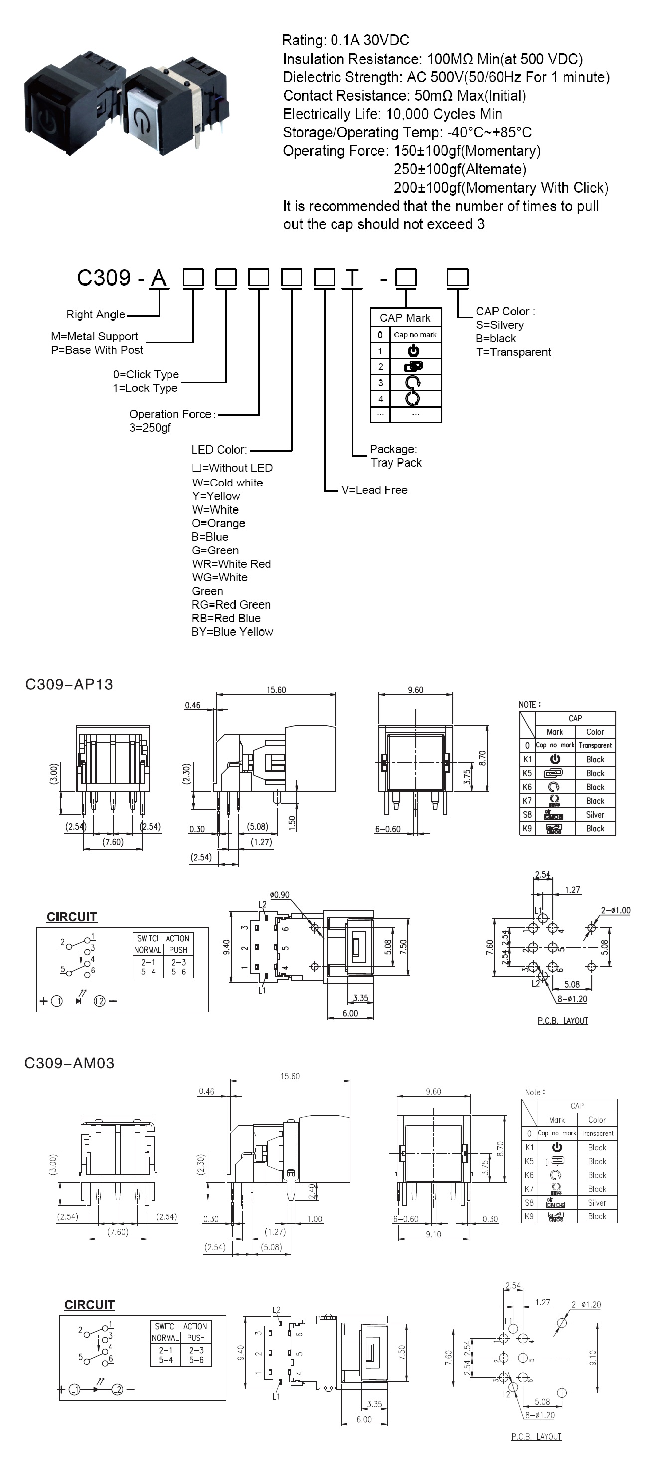
C309 Series right angle push button Switch
- Clip-on contacts ensure higher reliability. Terminals are all COM-pitched (multiples of 2.54 mm). Specific terminal shapes ensure a tight fit during soldering. Solder ingress protection: terminals are completely sealed with epoxy resin. A variety of


