网站首页
关于昭华
关于昭华
关于昭华
经营理念
品质管控
环境政策
昭华历史
组织架构
专利认证
荣誉客户
工厂巡视
公司产品
公司产品
开关系列
OEM&0DM
操纵杆
产品应用
技术资源
新闻资讯
公司新闻
新品动态
行业动态
招贤纳仕
联系我们
1.19K
中文版
/
English
网站首页
关于昭华
经营理念
品质管控
环境政策
昭华历史
组织架构
专利认证
荣誉客户
工厂巡视
公司产品
开关系列
带灯轻触开关
带灯按键开关
旋转编码开关
按钮开关
防水轻触开关
轻触开关
导航按键/多向开关
旋转开关/档位开关
拨码开关
触控开关
过载保护开关
钮子开关
检测开关
金属开关
滑动开关
船型开关
微动开关
开关配件
OEM&0DM
OEM&0DM
操纵杆
产品应用
智能家居
汽车电子
舞台灯光
轨道交通
医疗设备
通讯设备
工控数控
视频处理器
新闻中心
新品动态
公司新闻
行业动态
招贤纳仕
技术资源
技术资源
3D 模型
认证中心
产品对照表
常问问题
炉温曲线
防护等级
联系我们
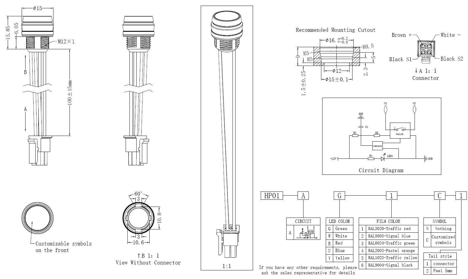
HP01 防水发光霍尔按钮开关
具备防水防尘霍尔功能按钮开关,防水看达到水下操作与使用,LED发光功能,12V功能更为可靠,自带线与连接器,霍尔接触原理,让开关的寿命更可靠更长久,达200万次
详情
文件下载
HP01 防水发光霍尔按钮开关